terug naar lagers productoverzicht

Koppeloverbrenging

Directe aandrijving type LTD

609818

LTD-0100

Type selectie

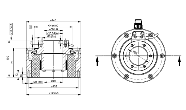
Afmetingen en gegevenstabellen


Stukprijs: -,- EUR
Prijs -,- EUR


Beschrijving

Draaiverbindingen met directe aandrijving zijn geschikt voor toepassingen waarbij hoge prestaties en een geringe inbouwruimte belangrijke criteria zijn. De integratie van de aandrijving in het lagerhuis zorgt ervoor dat slijtagegevoelige componenten voor het overbrengen van aandrijfkracht, zoals tandriemen, tandwielen of transmissies, kunnen vervallen. Dit vermindert het onderhoud, verhoogt het rendement en vergroot zowel het toerentalbereik als de positioneernauwkeurigheid.

Materiaal

C45N (optional Aluminium)

Bedrijfstemperatuur

–10 °C bis +80 °C

Inbouwpositie

Beliebig

Smeermiddel

Wälzlagerfett über Schmiernippel

Opties

absolutes Messsystem, Kabelabgang axial, Steuerung inkl. Kabel, Wasserkühlung
Nauwkeurigheid
Snelheid
Ø-bereik
Prijs

Supercompact en superaangepast: Franke draaikrans met torque motor LTD

Basisinformatie

  • Stalen of aluminium behuizing
  • KKØ: 100 - 1800 mm
  • Incrementele meetsystemen
  • Absolute meetsystemen

De voordelen

  • Compact ontwerp
  • Grote vrije ruimte in het midden
  • Vrij te kiezen componenten
  • Vier standaardmaten uit voorraad leverbaar
  • Oplossingen op maat

Functionaliteit en voordelen:

kompakt

compact

dynamisch

dynamisch

energieeffizient

energie-efficiënt

Compact ontwerp, grote middenspeling

Onze wentellagers met geïntegreerde directe aandrijving worden gekenmerkt door maximale energie-efficiëntie. De integratie van de aandrijfmotor in het lager maakt het mogelijk om componenten zoals tandwielen en aandrijftandwielen en dus complexe smeercircuits overbodig te maken. De bewegende massa's zijn daardoor aanzienlijk lager en het vermogensverlies door factoren zoals wrijving en speling wordt geminimaliseerd.

Durchmesser Direktantriebe Torque

Leverbare diameters

Franke lagers met directe aandrijving (torque) zijn verkrijgbaar in diameters van 100 mm tot 1.800 mm.


Mijn contactpersonen voor dit product

Uw lokale contactpersoon

Gileon B.V.

Zandeweg 5 D
5107 NM Dongen, Netherlands
Tel.: +31 85-201 7814

Interne verkoop

Sandra Zeller

Tel.: +49 7361 920-181

Technisch advies

Philipp Engert

Tel.: +49 7361 920-125